четверг, 20 октября 2011 г.

Практическая работа (выполнение чертежей деталей с применением разрезов) - 9 класс


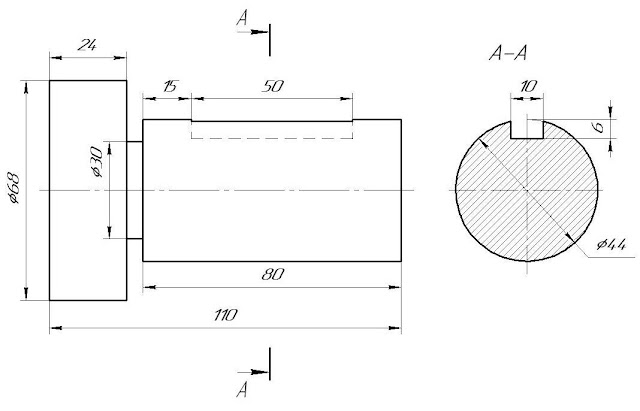
1 вариант
 Задание (рис. 186 а).
Перечертите чертеж в рабочую тетрадь в масштабе 1:1. Постройте фронтальный разрез. На чертеже нанесите размеры. Название детали – ДИСК,  материал - Сталь 45. 
2 вариант
Задание (рис. 186 б).
Перечертите чертеж в рабочую тетрадь в масштабе 1:1. Постройте фронтальный разрез. На чертеже нанесите размеры. Название детали – ДИСК,  материал - Сталь 45. 
3 вариант
Задание (рис. 187 а).
Перечертите чертеж в рабочую тетрадь в масштабе 1:1. Постройте горизонтальный разрез. На чертеже нанесите размеры. Название детали – КОРПУС, материал – Алюминий Ал.2.


4 вариант
Задание (рис. 187 б).
Перечертите чертеж в рабочую тетрадь в масштабе 1:1. Постройте горизонтальный разрез. На чертеже нанесите размеры. Название детали – ВИЛКА, материал – Чугун СЧ15-32.
 







5 вариант
Задание (рис. 188 а).
Перечертите чертеж в рабочую тетрадь в масштабе 1:1. Постройте фронтальный и горизонтальный разрезы. На чертеже нанесите размеры. Название детали – ХОМУТ, материал – Сталь. 




6 вариант
Задание (рис. 188 б).
Перечертите чертеж в рабочую тетрадь в масштабе 1:1. Постройте фронтальный и горизонтальный разрезы. На чертеже нанесите размеры. Название детали – МУФТА, материал – Сталь. 





 Все работы выполняем в системе КОМПАС-3D

воскресенье, 16 октября 2011 г.

Графическая работа №12 - 9 класс

Эскиз детали с выполнением сечений

Задание:
Выполнить на листе бумаги формата А4 по наглядному изображению эскиз детали. Выявить поперечную форму детали сечением. Обозначьте его, если это нужно. Нанесите размеры.

Вариант 1
Валик Сталь 45

Варианты выполнения задания


1-й вариант 

2-й вариант
3-й вариант
 Вариант 2
Палец Сталь 50

Варианты выполнения задания
1-й вариант 
2-й вариант 
3-й вариант
 Вариант 3
Валик Сталь 45


Варианты выполнения задания
1-й вариант 
2-й вариант 
3-й вариант
 Вариант 4
Ось Сталь Ст.5

Варианты выполнения задания
1-й вариант 
2-й вариант


3-й вариант